- Nuovo


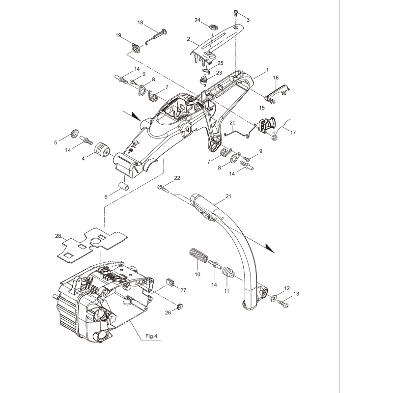
| Descrizione | MOLLA ANTIVIBRANTE . KJCV3101S - TS RIF. ESPLOSO (10) |
|---|---|
| SKU | KR285593 |
| Compatibilità | KJCV3101S Impugnatura posteriore KJCV3101TS (prima versione) Esploso KJCV3101TS Impugnatura KJCV3101TS 2018 Impugnatura superiore KJCV3101TS 2020 Impugnatura superiore KJCV3101TSQ Impugnatura superiore |