6,65 €7,00 €Prezzo base-5% off Prezzo
6,65 €7,00 €Prezzo base-5% off Prezzo

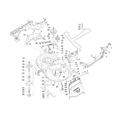
Lame per rasaerba, trattorini, tosaerba e robot tagliaerba. Realizzate in acciaio ad alta resistenza, assicurano un taglio preciso e uniforme su ogni tipo di prato. Compatibili con i principali marchi, disponibili in varie lunghezze e forme per ogni esigenza di sostituzione.
8273 products