4,45 €5,00 €
4,45 €5,00 €Prezzo base-11% off Prezzo
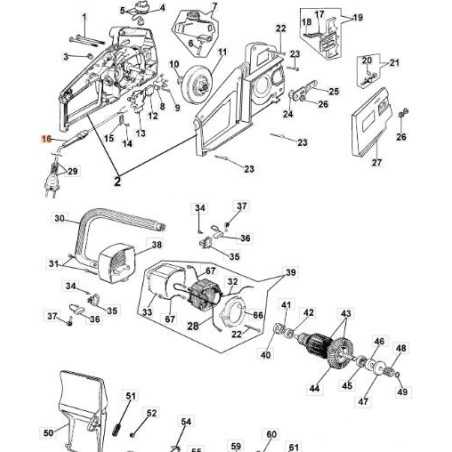
Morsetto 5215392-01
4,45 €5,00 €Prezzo base-11% off Prezzo

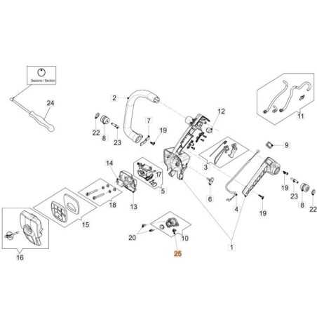
Cavi per acceleratore, freno e frizione compatibili con trattorini, motoseghe e decespugliatori. Realizzati con materiali resistenti, garantiscono trasmissione fluida e lunga durata. Disponibili in diverse lunghezze e tipologie per adattarsi ai principali modelli di macchine da giardinaggio.
3667 products