- New


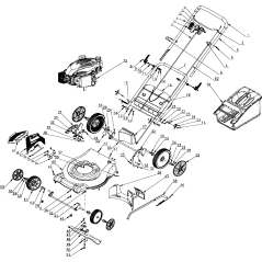
| Description | ROUE AVANT 7" SANS ROULEMENT * . R46SP/R5 RÉF. VUE ÉCLATÉE (61) |
|---|---|
| UGS | AGR8000730 |
| Compatibilité | R460P S461Y-T R461P S461Y-T Essieu avant R460P S461Y-T 2018 Essieu avant R461P S461HY-T 2014 Essieu avant R461SP S461VHY-T Groupe de machines R461SP S461VHY-T 2017 Essieu avant R46P T475 Groupe de tondeuses à gazon R46SP T475 Groupe de tondeuses à gazon R511SP S511VHY-T Essieu avant R511SP S511VHY-T 2018 Essieu avant R51SP T575 Groupe de tondeuses à gazon RB460P S461Y-BS450E Essieu avant RB461SP S461VHY-BS500E Groupe de machines RB511SP S511VHY-BS500E Essieu avant S511VHY-T8 2020 Essieux avec roues transmission |