- New


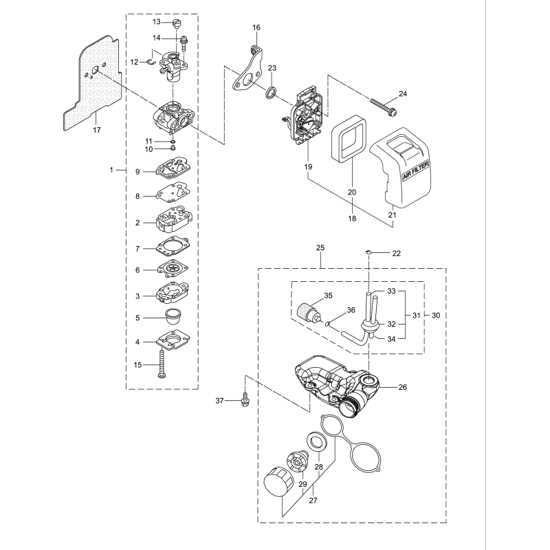
| Description | Joint de carburateur KJHTL600D Réf. KJHTL. Vue éclatée (17) |
|---|---|
| UGS | KR278750 |
| Compatibilité | KJHTL600DT à partir de 2021 Carburateur filtre à air réservoir KJHTL600DT jusqu'en 2020 Carburateur filtre à air réservoir KJHTL750DT à partir de 2021 Carburateur filtre à air réservoir KJHTL750DT jusqu'en 2020 Carburateur filtre à air réservoir |