- New


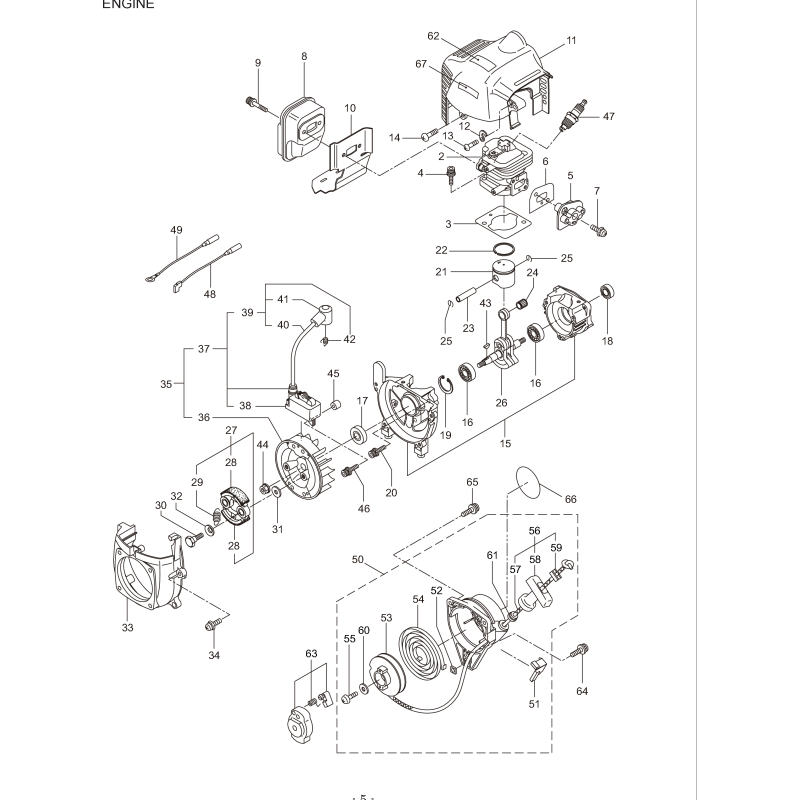
| Description | AXE DE PISTON. RÉF. KJBL21. VUE ÉCLATÉE (23) |
|---|---|
| UGS | KR261036 |
| Compatibilité | KJBL21 Groupe moteur KJBL22E Groupe moteur KJHTL600DT à partir de 2021 Groupe moteur KJHTL600DT jusqu'en 2020 Groupe moteur KJHTL750DT à partir de 2021 Groupe moteur KJHTL750DT jusqu'en 2020 Groupe moteur |