• New
    Broche MGF originale 6x20 AGR8000080
    Broche MGF originale 6x20 AGR8000080

    Broche MGF originale 6x20 AGR8000080

    4,85 €
    5,00 €
    Économisez 3%
    Quantity :
    account_circleEnvoyer à un ami
    Broche MGF originale 6x20 AGR8000080

    Broche MGF originale 6x20 AGR8000080

     

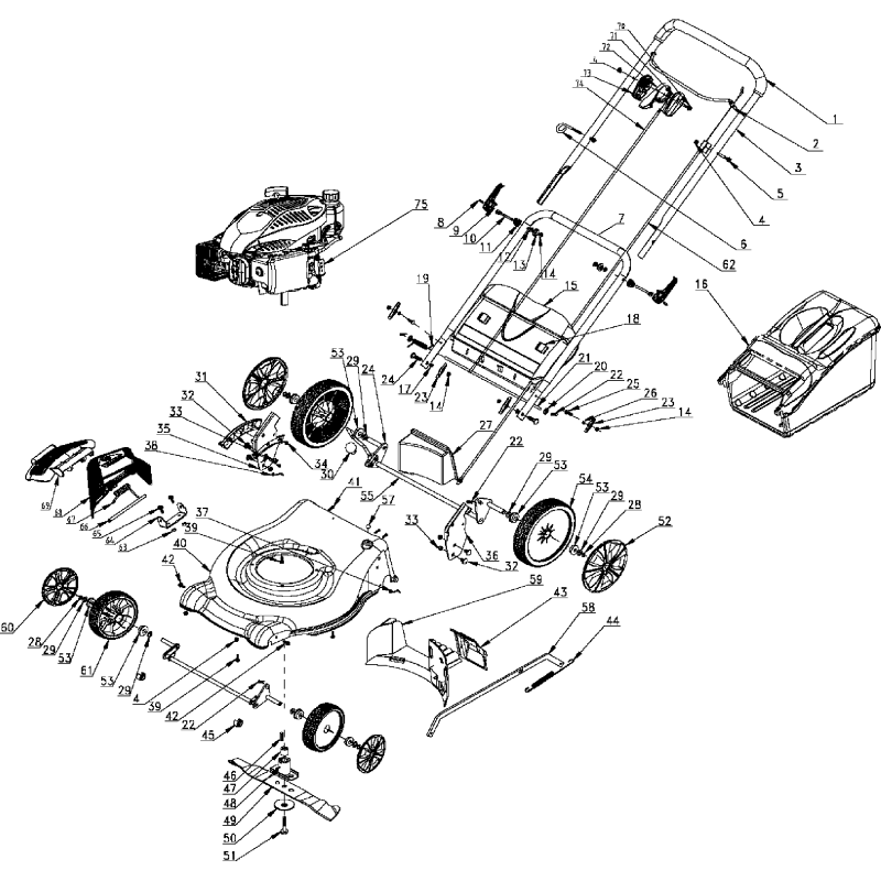
    DescriptionBroche 6X20. Réf. R46SP. Vue éclatée (8)
    UGSAGR8000080
    CompatibilitéR46P T475
    Groupe de tondeuses à gazon
    R46SP T475
    Groupe de tondeuses à gazon
    R51SP T575
    Groupe de tondeuses à gazon
    MGF

    Fiche technique

    Références spécifiques

    Broche MGF originale 6x20 AGR8000080 | NewgardenParts.com

    Broche MGF originale 6x20 AGR8000080

    4,85 €
    5,00 €
    Économisez 3%