• New
    Bobine d'allumage KR283645 ORIGINALE K-JAPAN
    Bobine d'allumage KR283645 ORIGINALE K-JAPAN

    Bobine d'allumage KR283645 ORIGINALE K-JAPAN

    93,12 €
    96,00 €
    Économisez 3%
    Quantity :
    account_circleEnvoyer à un ami
    Bobine d'allumage KR283645 ORIGINALE K-JAPAN

    Bobine d'allumage KR283645 ORIGINALE K-JAPAN

     

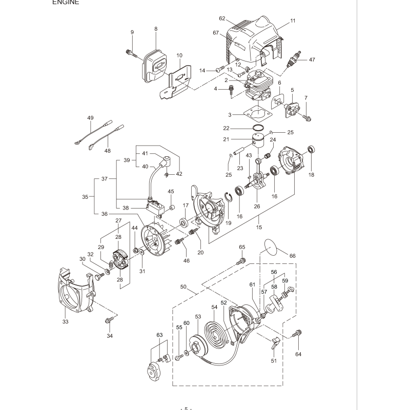
    DescriptionSERPENTIN DE HOTTE. RÉF. KJBL21. VUE ÉCLATÉE (37)
    UGSKR283645
    CompatibilitéKJBL21
    Groupe moteur
    K-Japan

    Fiche technique

    Références spécifiques

    Bobine d'allumage KR283645 ORIGINALE K-JAPAN | NewgardenParts.com

    Bobine d'allumage KR283645 ORIGINALE K-JAPAN

    93,12 €
    96,00 €
    Économisez 3%