• New
    Lever KR281585 ORIGINAL K-JAPAN
    Lever KR281585 ORIGINAL K-JAPAN

    Lever KR281585 ORIGINAL K-JAPAN

    4,85 €
    5,00 €
    Économisez 3%
    Quantity :
    account_circleEnvoyer à un ami
    Lever KR281585 ORIGINAL K-JAPAN

    Lever KR281585 ORIGINAL K-JAPAN

     

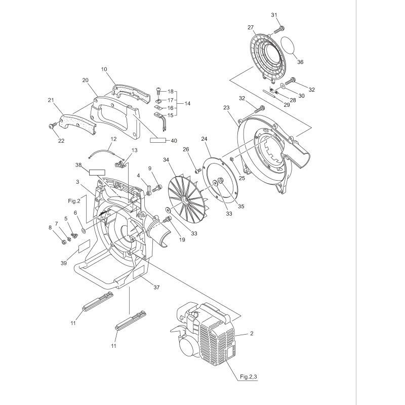
    DescriptionLEVIER . KJRH300 RÉF. VUE ÉCLATÉE (13)
    UGSKR281585
    CompatibilitéKJRH310
    Groupe de souffleurs
    K-Japan

    Fiche technique

    Références spécifiques

    Lever KR281585 ORIGINAL K-JAPAN | NewgardenParts.com

    Lever KR281585 ORIGINAL K-JAPAN

    4,85 €
    5,00 €
    Économisez 3%