• New
    Levier de sécurité KR286877 ORIGINAL K-JAPAN
    Levier de sécurité KR286877 ORIGINAL K-JAPAN

    Levier de sécurité KR286877 ORIGINAL K-JAPAN

    4,85 €
    5,00 €
    Économisez 3%
    Quantity :
    account_circleEnvoyer à un ami
    Levier de sécurité KR286877 ORIGINAL K-JAPAN

    Levier de sécurité KR286877 ORIGINAL K-JAPAN

     

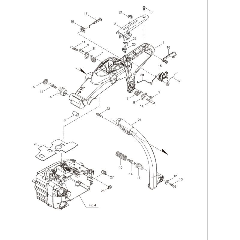
    DescriptionLEVIER DE SÉCURITÉ. RÉF. KJCV3101S. VUE ÉCLATÉE (16)
    UGSKR286877
    CompatibilitéKJCV3101S
    Poignée arrière
    K-Japan

    Fiche technique

    Références spécifiques

    Levier de sécurité KR286877 ORIGINAL K-JAPAN | NewgardenParts.com

    Levier de sécurité KR286877 ORIGINAL K-JAPAN

    4,85 €
    5,00 €
    Économisez 3%