French
Italiano
English
French
Deutsch
Español
Se connecter
Connexion
0
Panier
0
Filtres
Effacer les filtres
Catégorie
Tous
Accessoires divers
Accessoires pour débroussailleuses
Accessoires pour tondeuses robotisées
Accessoires pour tracteurs
Actionneurs et Disques de Frein
Amorces
Arbre Porte-lame
Autocollants et décalcomanies
Bac de Ramassage
Bâches de protection pour machines
Bagues
Batteries
Bobines d’Allumage
Bouchons de réservoir
Bougies
Câbles
Cadres et supports
Carburateurs
Cartes électroniques
Chaînes de Tronçonneuse
Chaînes Neige
Chambres à Air
Chargeurs de Batterie
Collecteurs d’Admission
Convogliatori
Courroies
Cuves de carburateur
Cylindres et Pistons
Déflecteurs
Démarreurs
Démarreurs Complets
Embrayages
Embrayages Mécaniques Électromagnétiques
Embrayages pour Motobineuses
Équipement d'Atelier
Équipements de Protection Individuelle
Filtres
Guides de Tronçonneuse
Interrupteurs
Irrigation
Joints et Membranes
Joints Spi
Lames
Lames de Débroussailleuse
Lubrifiants
Minuteria
Moteurs 2 Temps
Moteurs 4 Temps
Moteurs Électriques
Moyeux de Lame
Phares
Pièces Détachées Agricoles
Pièces Détachées Lombardini Ruggerini
Pièces Détachées Pompes Pulvérisation
Pignons de Roue
Pignons de Tronçonneuse
Plateaux de Coupe
Poignées
Pointes de Carburateur
Pompes à Huile
Pompes d’Alimentation
Poulies
Prises de Carburant
Régulateurs de Tension
Réservoirs
Ressorts
Ressorts de Carburateur
Robinets et Durites de Carburant
Roues
Roues anti-scalp
Roulements
Segments de piston
Sièges
Silencieux
Silent-blocs
Solénoïdes
Tableaux de Démarrage
Têtes de débroussailleuse
Transmissions
Vilebrequins
Marque
Tous
Acme
Active
Agria
Agrifull
Ags
Al-ko
Al.fe
Alpina
Ama
Ambrogio
Annovi reverberi
Ariens
As motor
Attila
Ayp
Bcs
Bellota
Benassi
Berti
Bertolini
billy goat
Blue bird
Bosch
Briggs & stratton
Carlton
Carraro
Castelgarden
Champion
comet
Countax
Cub cadet
Daye
Dell'orto
Dolmar
Ducar
Echo
Efco
Ego
Einhell
Etesia
Ferrari international
Ferris
Fiskars
Freezanz
Gardena
Gianni ferrari
Goldoni
Greenline
Grin
Harry
Hatz
Homelite
Honda
Husqvarna
Ibea
Ikra
Imovilli pompe
Iseki
Jonsered
Kaaz
Kasei
Kawasaki
Kohler
Koshin
Kress
Kubota
Launtop
Lombardini
Loncin
Luk
Makita
Maori
marina
Maruyama
Mcculloch
meccanica benassi
Mitsubishi
Mowox
Mowrator
Mtd
Murray
Newgardenstore
Ngk
Nibbi
Oleomac
Orec
Oregon
Partner
Pasquali
Peruzzo
Poulan
Pro.top
procomas
Progreen
Pubert
Rato
Robin
robomow
Roques et lecoeur
Ruggerini
Sabo
Sandrigarden
Segway navimow
Shindaiwa
Skil
Snapper
Solo
Stiga
Stihl
Strong
Subaru
sunseeker
Tanaka
Tecnospray
Tecumseh
Tillotson
Toro
Tuff torq
Viking
Wacker
Walbro
Warner
Wolf garten
Worx
Yanmar
Zama
Zanetti
Zenoah
Zomax
Zonsen
Accueil
Embrayages
EMBRAYAGE À CÂBLE 39”
New
EMBRAYAGE À CÂBLE 39”
68,40 €
72,00 €
Économisez 5%
Quantity :
Ajouter au panier
account_circle
Envoyer à un ami
EMBRAYAGE À CÂBLE 39”
Your name
Nom de votre ami
Adresse e-mail de votre ami
La description
Détails du produit
Nom :
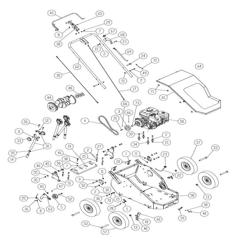
EMBRAYAGE À CÂBLE 39”
MPN :
AR380221
Compatibilità:
PL1800H PL1800V Groupe machine
PL1801V Groupe manuel supérieur
PL1802V Groupe manuel supérieur
PL1803V Groupe manuel supérieur
Ean
6098452294249
Fiche technique
Références spécifiques
×
check_circle
check_circle