• New
    Tapa de combustible y respiradero, conjunto KW99996-6107 Original K-JAPAN
    Tapa de combustible y respiradero, conjunto KW99996-6107 Original K-JAPAN

    Tapa de combustible y respiradero, conjunto KW99996-6107 Original K-JAPAN

    32,98 €
    34,00 €
    3% de descuento
    Quantity :
    account_circleEnviar a un amigo
    Tapa de combustible y respiradero, conjunto KW99996-6107 Original K-JAPAN

    Tapa de combustible y respiradero, conjunto KW99996-6107 Original K-JAPAN

     

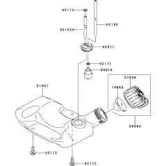
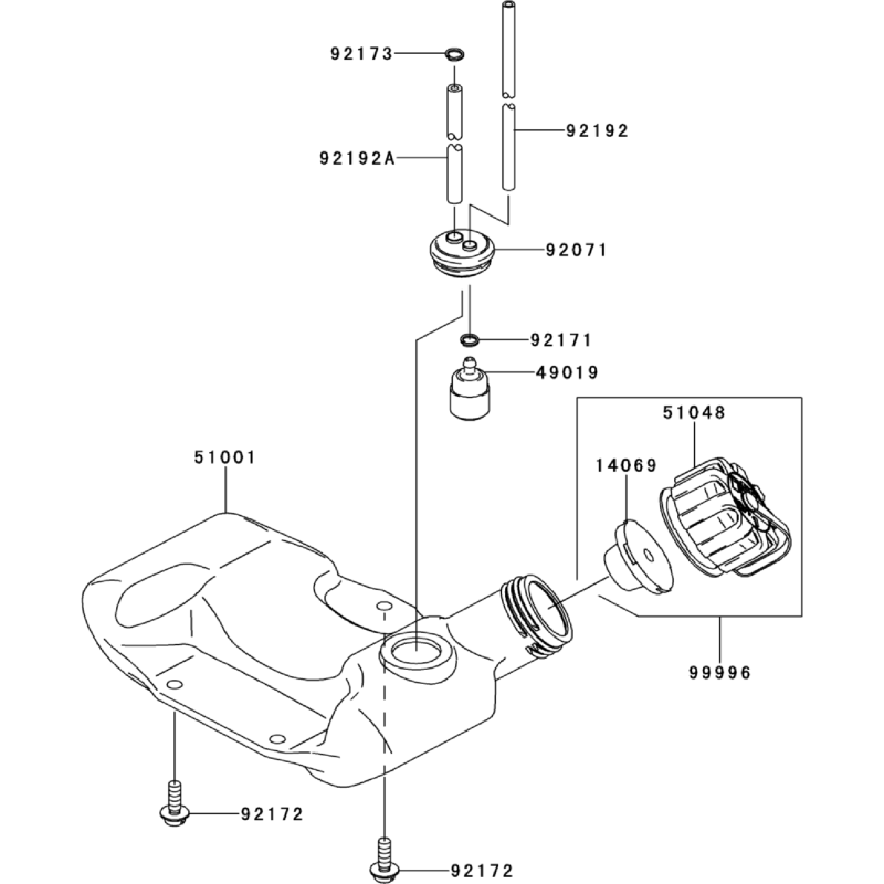
    DescripciónTAPA DEL DEPÓSITO. KBL27B KBL45A REF. VISTA DE DESPIECE (99996)
    Código SKUKW99996-6107
    CompatibilidadKJCL525
    Grupo de tanques
    KJCS525
    Grupo de tanques
    K-Japan

    Ficha técnica

    Referencias específicas

    Tapa de combustible y respiradero, conjunto KW99996-6107 Original K-JAPAN | NewgardenParts.com

    Tapa de combustible y respiradero, conjunto KW99996-6107 Original K-JAPAN

    32,98 €
    34,00 €
    3% de descuento