• New
    Lavadora KR276107 ORIGINAL K-JAPAN
    Lavadora KR276107 ORIGINAL K-JAPAN

    Lavadora KR276107 ORIGINAL K-JAPAN

    27,16 €
    28,00 €
    3% de descuento
    Quantity :
    account_circleEnviar a un amigo
    Lavadora KR276107 ORIGINAL K-JAPAN

    Lavadora KR276107 ORIGINAL K-JAPAN

     

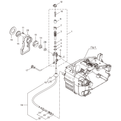
    DescripciónCALZO CÓNICO PARA BOMBA DE ACEITE. REF. KJCV310. VISTA DE DESPIECE (28)
    Código SKUKR276107
    CompatibilidadKJCV3101TS (primera versión)
    Vista despiezada del KJCV3101TS
    Bomba de aceite
    K-Japan

    Ficha técnica

    Referencias específicas

    Lavadora KR276107 ORIGINAL K-JAPAN | NewgardenParts.com

    Lavadora KR276107 ORIGINAL K-JAPAN

    27,16 €
    28,00 €
    3% de descuento