• New
    Anillo de pistón KR261158 ORIGINAL K-JAPAN
    Anillo de pistón KR261158 ORIGINAL K-JAPAN

    Anillo de pistón KR261158 ORIGINAL K-JAPAN

    6,79 €
    7,00 €
    3% de descuento
    Quantity :
    account_circleEnviar a un amigo
    Anillo de pistón KR261158 ORIGINAL K-JAPAN

    Anillo de pistón KR261158 ORIGINAL K-JAPAN

     

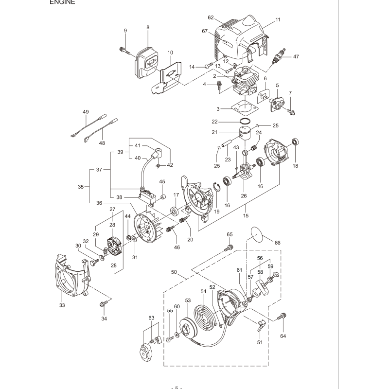
    DescripciónANILLO DE PISTÓN. REF. KJBL21. VISTA DE DESPIECE (22)
    Código SKUKR261158
    CompatibilidadKJBL21
    Grupo de motores
    K-Japan

    Ficha técnica

    Referencias específicas

    Anillo de pistón KR261158 ORIGINAL K-JAPAN | NewgardenParts.com

    Anillo de pistón KR261158 ORIGINAL K-JAPAN

    6,79 €
    7,00 €
    3% de descuento