• New
    Puerta lateral AGR8000820 ORIGINAL MGF
    Puerta lateral AGR8000820 ORIGINAL MGF

    Puerta lateral AGR8000820 ORIGINAL MGF

    20,37 €
    21,00 €
    3% de descuento
    Quantity :
    account_circleEnviar a un amigo
    Puerta lateral AGR8000820 ORIGINAL MGF

    Puerta lateral AGR8000820 ORIGINAL MGF

     

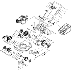
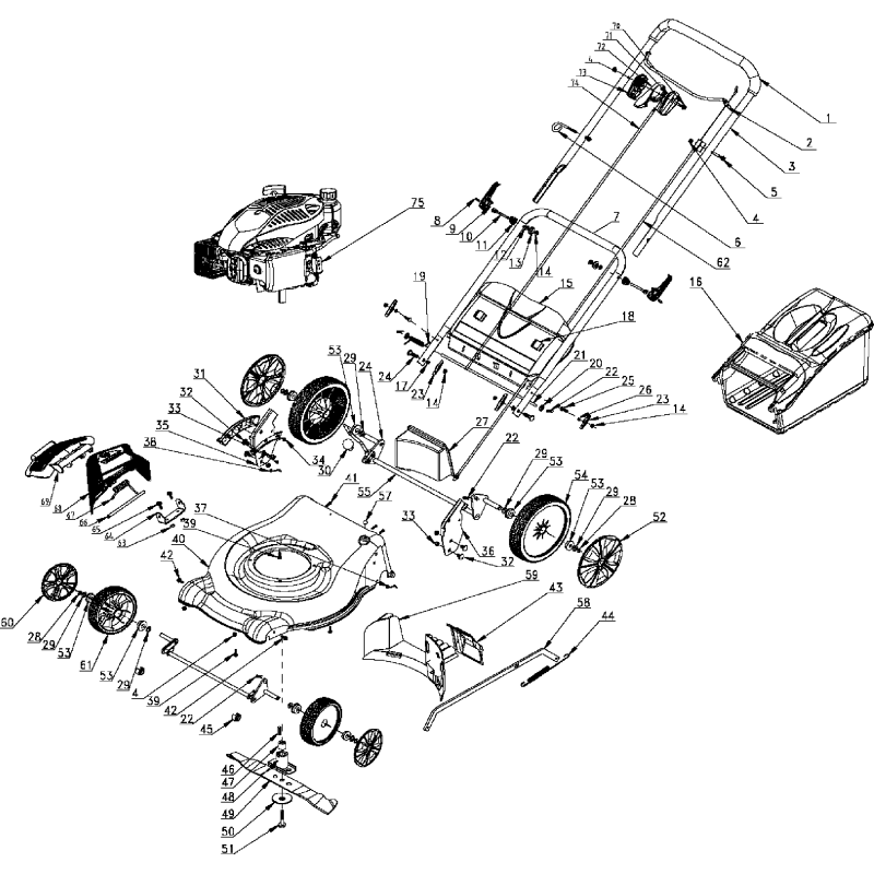
    DescripciónPUERTA LATERAL. REF. R46SP. VISTA DE DESPIECE (69)
    Código SKUAGR8000820
    CompatibilidadR46P T475
    Grupo de cortacésped
    R46SP T475
    Grupo de cortacésped
    MGF

    Ficha técnica

    Referencias específicas

    Puerta lateral AGR8000820 ORIGINAL MGF | NewgardenParts.com

    Puerta lateral AGR8000820 ORIGINAL MGF

    20,37 €
    21,00 €
    3% de descuento