• New
    Anillo de plástico original MGF AGR8000130
    Anillo de plástico original MGF AGR8000130

    Anillo de plástico original MGF AGR8000130

    4,85 €
    5,00 €
    3% de descuento
    Quantity :
    account_circleEnviar a un amigo
    Anillo de plástico original MGF AGR8000130

    Anillo de plástico original MGF AGR8000130

     

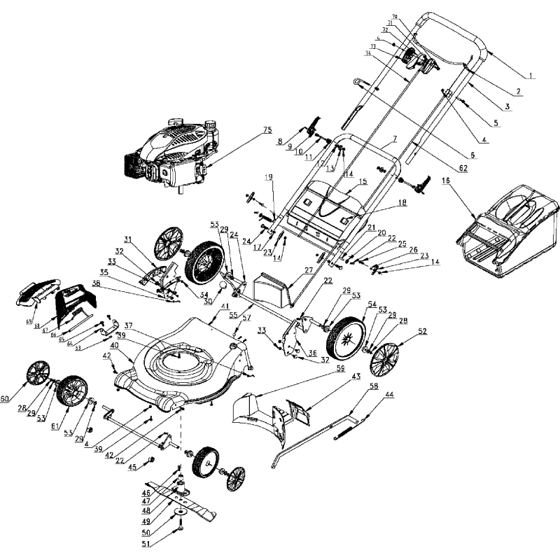
    DescripciónANILLO DE PLÁSTICO. REF. R46SP. VISTA DE DESPIECE (13)
    Código SKUAGR8000130
    CompatibilidadR46P T475
    Grupo de cortacésped
    R46SP T475
    Grupo de cortacésped
    R51SP T575
    Grupo de cortacésped
    MGF

    Ficha técnica

    Referencias específicas

    Anillo de plástico original MGF AGR8000130 | NewgardenParts.com

    Anillo de plástico original MGF AGR8000130

    4,85 €
    5,00 €
    3% de descuento