- New


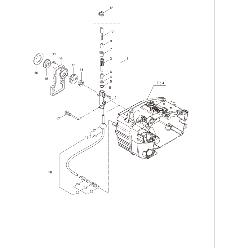
| Descripción | FILTRO DE ACEITE. KJCV3101S - TS REF. VISTA DE DESPIECE (22) |
|---|---|
| Código SKU | KR286818 |
| Compatibilidad | KJCV3101S Bomba de aceite KJCV3101TS (primera versión) Vista despiezada del KJCV3101TS Bomba de aceite KJCV3101TS 2018 Bomba de aceite KJCV3101TS 2020 Bomba de aceite KJCV3101TSQ Bomba de aceite |