English
Italiano
English
French
Deutsch
Español
Sign In
Sign in
0
Shopping Cart
0
Filters
Clear filters
Category
All
2-Stroke Engines
4-Stroke Engines
Agricultural Spare Parts
Anti-Scalp Wheels
Anti-vibration Mounts
Batteries
Battery Chargers
Bearings
Belts
Blade Hubs
Blade Shaft
Blades
Brake Actuators and Discs
Brush Cutter Blades
Brush Cutter Heads
Brushcutter accessories
Bushings
Cables
Carburetor Bowls
Carburetor Needles
Carburetor Springs
Carburetors
Chainsaw Bars
Chainsaw Chains
Chainsaw Sprockets
Clutches
Clutches for Tillers
Complete Starters
Convogliatori
Crankshafts
Cutting Decks
Cylinders and Pistons
Deflectors
Electric Motors
Electromagnetic Mechanical Clutches
Electronic Boards
Filters
Frames and Supports
Fuel Pick-Up Assemblies
Fuel Pumps
Fuel Tank Caps
Fuel Tanks
Fuel Valves and Hoses
Gaskets and Diaphragms
Grass Catchers
Handles
Headlights
Ignition Coils
Ignition Panels
Inner Tubes
Intake Manifolds
Irrigation
Lombardini Ruggerini Spare Parts
Lubricants
Machine Cover Tarps
Minuteria
Mufflers
Oil Pumps
Oil Seals
Personal Protective Equipment
Piston Rings
Primers
Pulleys
Robot lawn mower accessories
Seats
Snow Chains
Solenoids
Spark Plugs
Sprayer Pump Spare Parts
Springs
Starter Motors
Stickers and Decals
Switches
Tractor accessories
Transmissions
Various accessories
Voltage Regulators
Wheel Sprockets
Wheels
Workshop Equipment
Brand
All
4Sison
Acme
Active
Agria
Agrifull
Ags
Al-ko
Al.fe
Alpina
Ama
Ambrogio
Annovi reverberi
Ariens
As motor
Attila
Ayp
Bcs
Bellota
Benassi
Berti
Bertolini
billy goat
Blue bird
Bobcat
Bosch
Briggs & stratton
Carlton
Carraro
Castelgarden
Champion
comet
Countax
Cub cadet
Daye
Dell'orto
Dolmar
Ducar
Echo
ecovacs
Efco
Ego
Einhell
Eliet
Etesia
Ferrari international
Ferris
Fiat
Fiskars
Freezanz
Gardena
Gianni ferrari
Goldoni
Greenline
Grin
Harry
Hatz
Homelite
Honda
Husqvarna
Hustler
Ibea
Ikra
Imovilli pompe
Iseki
Jonsered
K-Japan
Kaaz
Kasei
Kawasaki
Kohler
Koshin
Kress
Kubota
Laski
Launtop
Lombardini
Loncin
Luk
Makita
Maori
marina
Maruyama
Masport
Mcculloch
meccanica benassi
MGF
Mitsubishi
Mowox
Mowrator
Mtd
Murray
Newgardenstore
Ngk
Nibbi
Oleomac
Orec
Oregon
Partner
Pasquali
Peruzzo
Poulan
Pro.top
procomas
Progreen
Pubert
Rato
Robin
robomow
Roques et lecoeur
Ruggerini
Sabo
Sandrigarden
Segway navimow
Shindaiwa
Skil
Snapper
Snowex
Solo
Stiga
Stihl
Strong
Subaru
sunseeker
Tanaka
Tecnospray
Tecumseh
Tillotson
Toro
Tuff torq
Viking
Wacker
Walbro
Warner
Wolf garten
Worx
Yanmar
Zama
Zanetti
Zenoah
Zomax
Zonsen
Home
Springs
Right spring AGR8000380 ORIGINAL MGF
New
Right spring AGR8000380 ORIGINAL MGF
€4.85
€5.00
Save 3%
Quantity :
Add to cart
account_circle
Send to a friend
Right spring AGR8000380 ORIGINAL MGF
Your name
Name of your friend
E-mail address of your friend
Description
Product Details
Description
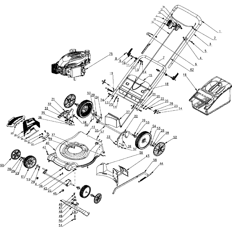
RIGHT SPRING. R46SP REF. EXPLODED VIEW (38)
SKU
AGR8000380
Compatibility
R46P T475
Lawnmower group
R46SP T475
Lawnmower group
Ean
Data sheet
Specific References
×
check_circle
check_circle