• New
    Cylinder foot gasket SR2063369 ORIGINAL ONLY
    Cylinder foot gasket SR2063369 ORIGINAL ONLY

    Cylinder foot gasket SR2063369 ORIGINAL ONLY

    €4.85
    €5.00
    Save 3%
    Quantity :
    account_circleSend to a friend
    Cylinder foot gasket SR2063369 ORIGINAL ONLY

    Cylinder foot gasket SR2063369 ORIGINAL ONLY

     

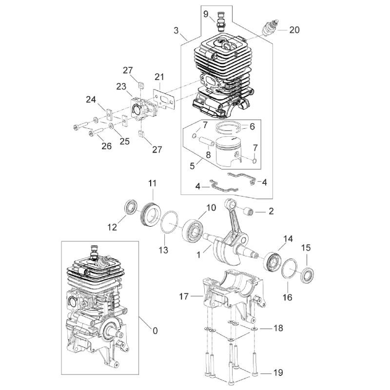
    DescriptionCYLINDER HALF SEAL . 452-03 Replaces: SR2063369 REF. EXPLODED VIEW (4)
    SKUSR2063369
    Compatibility451 (from serial number 20657)
    Mistblower Order-No.: 400015101 (12 l tank frame)
    Engine group
    467 (from serial number 5083)
    Engine group
    Solo

    Data sheet

    Specific References

    Cylinder foot gasket SR2063369 ORIGINAL ONLY | NewgardenParts.com

    Cylinder foot gasket SR2063369 ORIGINAL ONLY

    €4.85
    €5.00
    Save 3%