• New
    Frame RAss'y KR425666 ORIGINAL K-JAPAN
    Frame RAss'y KR425666 ORIGINAL K-JAPAN

    Frame RAss'y KR425666 ORIGINAL K-JAPAN

    21,34 €
    22,00 €
    3% sparen
    Quantity :
    account_circleAn einen Freund senden
    Frame RAss'y KR425666 ORIGINAL K-JAPAN

    Frame RAss'y KR425666 ORIGINAL K-JAPAN

     

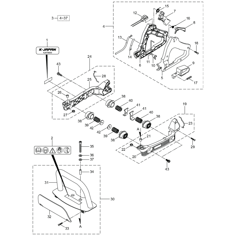
    BeschreibungKOMPLETTE RH-ANTIVIBRATIONSSTÜTZE KJHT6 REF. EXPLOSIONSZEICHNUNG (24)
    ArtikelnummerKR425666
    KompatibilitätKJHT600D
    Handle-Gruppe
    KJHT750D
    Handle-Gruppe
    K-Japan

    Technische Daten

    Besondere Bestellnummern

    Frame RAss'y KR425666 ORIGINAL K-JAPAN | NewgardenParts.com

    Frame RAss'y KR425666 ORIGINAL K-JAPAN

    21,34 €
    22,00 €
    3% sparen