

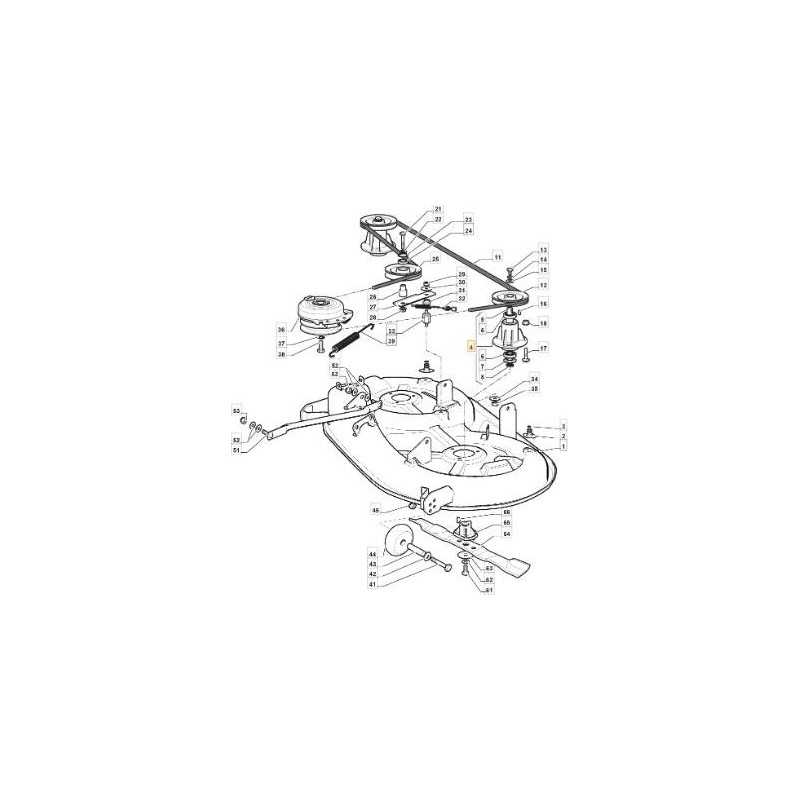
ACHSE FÜR MESSERKLINGEN FÜR SCHNEIDEMASCHINEN LIAERBA RASAERBA MESSER CASTELGARDEN FÜR MODELLE : MP84 , SD98 , SD108 MODELL - TECHNISCHE DATEN LÄNGE 155 mm CODE: 13286718 ORIGINAL CODE 382207204/1 , 382207204/4 , 382207206/0 , 82207204/0 , 82207206/0 SR