- New


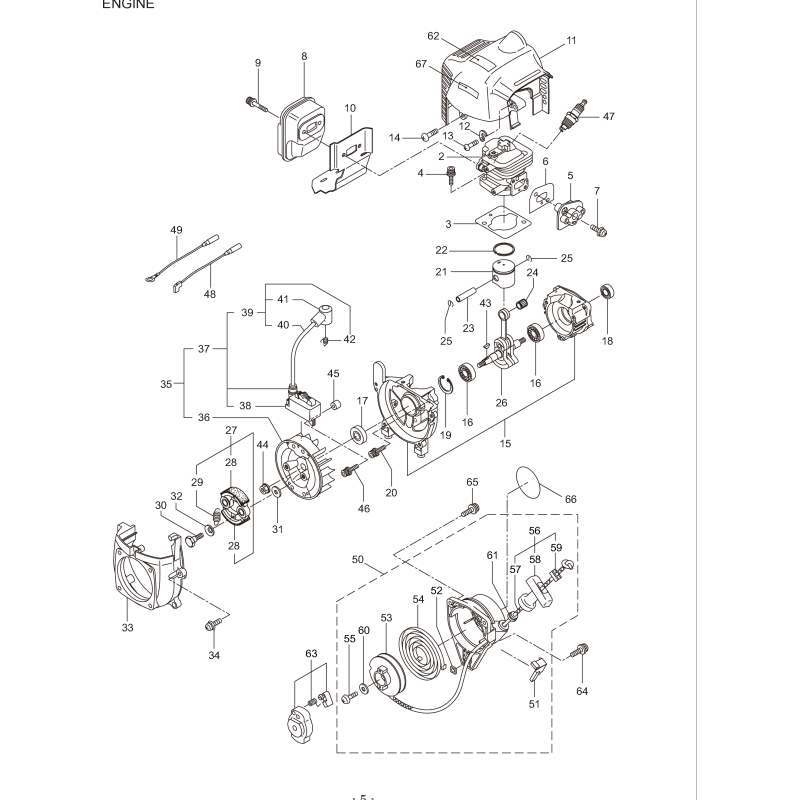
| Beschreibung | Thermische Flanschdichtung. KJBL21 REF. Explosionszeichnung (6) |
|---|---|
| Artikelnummer | KR267049 |
| Kompatibilität | KJBL21 Motorengruppe KJBL22E Motorengruppe KJBL26 Motorengruppe KJBL26E Motorengruppe KJCL600 Motorengruppe KJHTL600DT ab 2021 Motorengruppe KJHTL600DT bis 2020 Motorengruppe KJHTL60DT Motorengruppe KJHTL750DT ab 2021 Motorengruppe KJHTL750DT bis 2020 Motorengruppe KJHTL75DT Motorengruppe |