261,36 €297,00 €
261,36 €297,00 €Verkaufspreis-12% off Preis

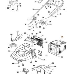
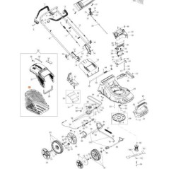
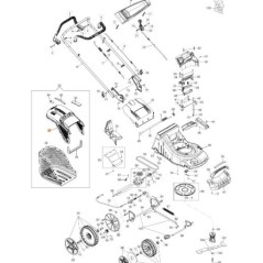
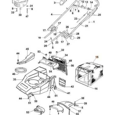
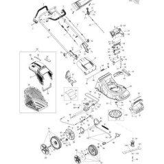
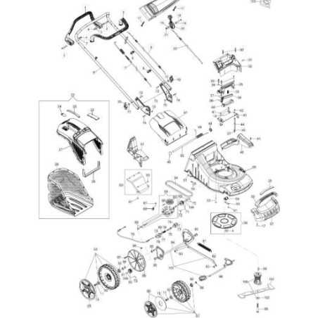
Grasfangkorb für Rasentraktoren und Rasenmäher, ideal für mühelose Gras- und Schmutzaufnahme. Kompatibel mit verschiedenen Modellen für effizientes Mähen. Aus robustem Material gefertigt, bieten sie hohe Kapazität und Langlebigkeit.
795 products